
簡介
ZHD54A高溫喇叭天線雷達物位計傳感器是雷達式物位測量儀表測量距離最大35米,可以用于存儲罐、中間緩沖罐或過程容器的物位測量,輸出4~20mA疊加HART信號。
輸入
高溫喇叭天線雷達物位計天線接收反射的微波脈沖并將其傳輸給電子線路,微處理器對此信號進行處理,識別出微脈沖在物料表面所產生的回波。正確的回波信號識別由智能軟件完成,精度可達毫米級。距離物料表面的距離D與脈沖的時間行程T成正比:D=C×T/2(其中C為光速)
因空罐的距離E已知,則物位L為:L=E-D
輸出
通過輸入空罐高度E(=零點),滿罐高度F(=滿量程)及一些應用參數來設定,應用參數將自動使儀表適應測量環境。對應于4~20mA輸出。
高溫喇叭天線雷達物位計參數
應 用:適用于高爐料位,較厚罐頂的儲罐和安裝短管較高的工況測量
測量范圍:35米
過程連接:萬向法蘭
介質溫度:-40~500℃
過程壓力:常壓
精 度:±15mm
頻率范圍:6GHz
防爆等級:Exd IIBT4 Gb
防護等級:IP67
信號輸出:4~20mA/HART(兩線)
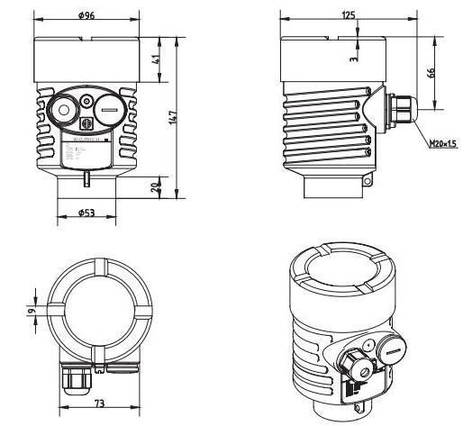
ZHD54A高溫喇叭天線雷達物位計外型尺寸圖

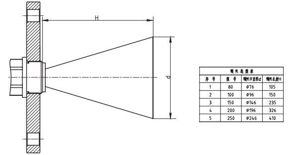
ZHD54A高溫喇叭天線雷達物位計安裝圖

ZHD54A高溫喇叭天線雷達物位計選型
| 單元 |
參數 |
|
防爆 |
P標準型(非防爆) |
|
過程連接 |
A法蘭DN150 PN16 C型 |
|
天線型式/材料 |
D喇叭天線146mm/不銹鋼304 |
|
密封/過程溫度 |
P 普通密封/-40…100℃ |
|
天線延長管 |
1.1000mm |
|
電子單元 |
3 (4~20)mA/(24)VDC/HART兩線制 |
|
外殼/防護等級 |
L 鋁/IP67 |
|
電纜進線 |
M M20*1.5 |
|
特殊約定 |
Y 特殊定制 |
ZHD54A高溫喇叭天線雷達物位計外形尺寸圖

ZHD54A高溫喇叭天線雷達物位計法蘭選型圖



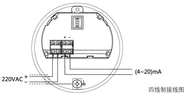
ZHD54A高溫喇叭天線雷達物位計接線圖

