
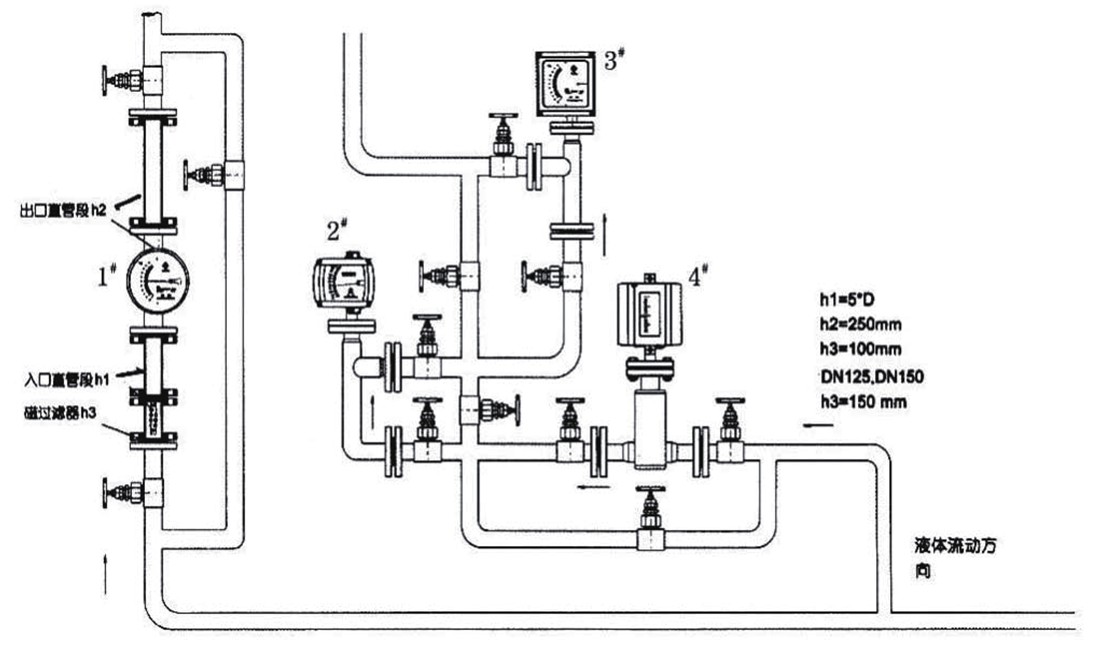
ZHLZ系列金屬轉子流量計是基于浮子位置測量的一種變面積流量儀表,采用全金屬結構,具有結構簡單、體積小、壓損小、量程比大(1:10)、工作可靠、適用范圍廣、測量精度好、具有耐高溫、耐高壓、安裝方便等特點; ZHLZ系列金屬轉子流量計有普通型和防腐蝕型,以上兩種類型均分為現場指示型(ZHLZZ-)和電遠傳型(ZHLZD-)、普通型流量傳感器,儀表材料為1Cr18Ni9Ti、防腐型為1Cr18Ni9Ti內襯PTFE。如果金屬轉子流量計測量的介質中含有鐵磁性顆粒,就應在流量計入口處安裝磁過濾器。它的材質應與對應的流量計材質相同。金屬轉子流量計廣泛應用于各行業復雜、惡劣環境下對小流量、低流速的各種苛刻介質條件下的流量進行測量與過程控制。
金屬轉子流量計主要技術參數
(1)基本型(就地指示式)
測量的介質:液體;氣體
測量范圍:水(20℃) 2.5-150000L/h
空氣(20℃,0.1013MPa)0.07-4000Nm³/h
量程比:10:1(最大與最小流量)
精度:1.5級 2.5級
工作壓力:≤4MPa
工作溫度:-20~300℃(氟塑料襯里-10~80℃)
環境溫度:-40~80℃
介質粘度:DN15 ≤5mPa.S
DN25~DN150 ≤250mPa.S
過程連接:法蘭,衛生型卡箍或按用戶提供
安裝方式:垂直安裝;水平安裝(水平安裝無卡盤安裝與襯四氟型)
管體材質:1Cr18Ni9Ti;316L ;304內襯PTFE等
蒸汽夾套頭:法蘭DN15 PN1.6,或按用戶提供
儀表總高度:標準250mm
法蘭標準:HG/T20592;其它要求的可訂制
(2)遠傳裝置(就地指示式帶遠傳)
①KW5-1角位移變送器
基本誤差:1.5%F.S
輸出信號:標準型4~20mA;0~10mA;HART協議
負載阻抗:350Ω
電源電壓:24VDC 220VAC 鋰電池
環境溫度:-20~80℃
出線口:M20×1.5
防爆標志:ExdiiCT6
②ESK-HD變送器
電源影響:<0.1%(不含數字分辨率[70μA)
負載影響:<0.1%(不含數字分辨率[70μA)
電流損耗:4~21.6mA,相對于測量值的0%
負載阻抗:0~800ohm
工作電壓:12.8~30VDC
二線制Rext[KΩ]=(供電電源[V]~12V)/22mA
輸出信號:4~20mA
環境溫度:-25~80℃
出線口:M20×1.5
防爆等級:ExdIIBT4~BT6;ExdIICT4~CT6
ZHLZ系列金屬轉子流量計不同口徑的參考流量范圍:
| 通徑(mm) | 流量范圍 | 壓力損失kPa | |||
| 水L/h | 空氣m³/h | 常規型 | 防腐型 | ||
| 常規型 | 防腐型 | 常規型,防腐型 | |||
| DN15 | 2.5~25 | --- | 0.07~0.7 | 6.5 | 5.5 |
| 4.0~40 | 2.5~25 | 0.11~1.1 | 6.5 | 5.5 | |
| 6.0~60 | 4.0~40 | 0.18~1.8 | 6.6 | 5.6 | |
| 10~100 | 6.3~63 | 0.28~2.8 | 6.6 | 5.6 | |
| 16~160 | 10~100 | 0.40~4.0 | 6.8 | 5.8 | |
| 25~250 | 16~160 | 0.7~7.0 | 7.2 | 6.1 | |
| 40~400 | 25~250 | 1.0~10 | 8.6 | 7.3 | |
| 60~600 | 40~400 | 1.6~16.0 | 11.1 | 7.3 | |
| DN20 | 40~400 | 40~400 | 0.7~7.0 | 8.6 | 6.1 |
| 60~600 | 60~600 | 1.2~12 | 11.1 | 7.3 | |
| 100~1000 | 100~1000 | 1.8~18 | 11.1 | 7.3 | |
| DN25 | 100~1000 | 60~600 | 3~30 | 7.0 | 5.9 |
| 160~1600 | 100~1000 | 4.5~45 | 8.0 | 6.0 | |
| 250~2500 | 160~1600 | 7~70 | 10.8 | 6.8 | |
| 400~4000 | 250~2500 | 11~110 | 15.8 | 9.2 | |
| DN32 | 160~1600 | 160~1600 | 3.0~30 | 8.0 | 6.0 |
| 250~2500 | 250~2500 | 5.0~50 | 10.8 | 6.8 | |
| 400~4000 | 400~4000 | 7.5~75 | 15.8 | 9.2 | |
| 600~6000 | 600~6000 | 16.5 | 12.0 | ||
| DN40 | 500~5000 | --- | 12~120 | 8.0 | 6.5 |
| 600~6000 | ---- | 16~160 | 11.0 | 6.8 | |
| DN50 | 630~6300 | 400~4000 | 18~180 | 8.1 | 6.8 |
| 1000~10000 | 630~6300 | 25~250 | 11.0 | 9.4 | |
| 1600~16000 | 1000~10000 | 40~400 | 17.0 | 14.5 | |
| DN65 | 1200~12000 | 1200~12000 | 18~180 | 8.2 | 6.9 |
| 1600~16000 | 1600~16000 | 30~300 | 8.2 | 6.9 | |
| 2500~25000 | 2500~25000 | 37~370 | 15.5 | 11.9 | |
| DN80 | 2500~25000 | 1600~16000 | 60~600 | 8.1 | 6.9 |
| 4000~40000 | 2500~25000 | 80~800 | 9.5 | 8.0 | |
| DN100 | 6000~60000 | 4000~40000 | 100~1000 | 15.0 | 8.5 |
| DN125 | 10000~100000 | 10000~100000 | 300~3000 | 42.0 | 38.5 |
| 12500~125000 | 12500~125000 | 45.0 | 42.0 | ||
| DN150 | 20000~100000 | 10000~100000 | 600~3000 | 45.0 | 42.0 |
| 30000~150000 | 25000~125000 | 60.0 | 58.0 | ||
|
代號
|
測量管結構
|
|||||||
|
ZH-LZ50
|
下進上出
|
|||||||
|
ZH-LZ51
|
下進上橫出
|
|||||||
|
ZH-LZ52
|
下橫進上橫出
|
|||||||
|
ZHLZ53R
|
水平安裝-右進左出(無襯四氟)
|
|||||||
|
ZH-LZ53L
|
水平安裝-左進右出(無襯四氟)
|
|||||||
|
代號
|
接液材質
|
|||||||
|
R1
|
1Cr18Ni9Ti
|
|||||||
| R2 | 316L | |||||||
|
RP
|
304+PTFE
|
|||||||
|
代號
|
管道口徑(公稱內徑)
|
|||||||
|
DN15
|
15
|
|||||||
| DN20 | 20 | |||||||
|
DN25
|
25
|
|||||||
| DN32 | 32 | |||||||
| DN40 | 40 | |||||||
|
DN50
|
50
|
|||||||
| DN65 | 65 | |||||||
|
DN80
|
80
|
|||||||
|
DN100
|
100
|
|||||||
| DN125 | 125 | |||||||
|
DN150
|
150
|
|||||||
|
DN200
|
200
|
|||||||
|
代號
|
附加結構
|
|||||||
|
無
|
|
|||||||
|
T
|
夾套型
|
|||||||
|
Z
|
阻尼型
|
|||||||
|
G
|
高溫型
|
|||||||
|
Y
|
高壓型
|
|||||||
|
代號
|
指示器形式代碼組合
|
|||||||
|
M1
|
就地指示器,機械指示瞬時流量
|
|||||||
|
M2
|
供電型,機械指示瞬時流量,液晶顯示瞬時/累積流量
|
|||||||
|
M3
|
供電型,無機械指示,液晶顯示瞬時/累積流量
|
|||||||
|
代碼
|
供電方式
|
|||||||
|
無
|
只限M1指示器
|
|||||||
|
A
|
220VAC,4~20mA輸出
|
|||||||
|
B
|
電池供電,無輸出
|
|||||||
|
C
|
24VDC,二線制供電,4~20mA輸出
|
|||||||
|
D
|
24VDC,三、四線制供電,4~20mA輸出
|
|||||||
|
代號
|
表頭
|
|||||||
|
l
|
方型殼體
|
|||||||
|
d
|
圓殼體(隔爆)
|
|||||||
|
代號
|
報警或脈沖輸出
|
|||||||
|
無
|
無報警或脈沖輸出
|
|||||||
|
K1
|
上限報警或脈沖輸出
|
|||||||
|
K2
|
下限報警或脈沖輸出
|
|||||||
|
K3
|
上、下限報警或脈沖輸出
|
|||||||
注:大眾對金屬轉子流量計有不同的稱呼,如:金屬管轉子流量計、轉子流量計、金屬管浮子流量計、金屬浮子流量計、浮子流量計等,其功能原理都是一樣的。